This object is in archive! 
I want to create only one rule !!
Need Answer
I did a level system, but I wanted to create only one rule I tried several ways, but nothing worked Could someone help me?
My rule attached below "sistema de nivel"
Files:
sistema de nive...
No connection
Real-time notifications may not work


The same question
Hi,
should be something like this:
When module1 any or module2 any
If module 1 on
action
If module 2 on
action
If module 1 off
action
If module 2 off
action
but I dont understand what you want to do, you have the same rule with 2 different action (ie: when the module 1 is on, you have one rule that dimm the level to 100 and another that dim to 50). What you want to archive?
Hi,
should be something like this:
When module1 any or module2 any
If module 1 on
action
If module 2 on
action
If module 1 off
action
If module 2 off
action
but I dont understand what you want to do, you have the same rule with 2 different action (ie: when the module 1 is on, you have one rule that dimm the level to 100 and another that dim to 50). What you want to archive?
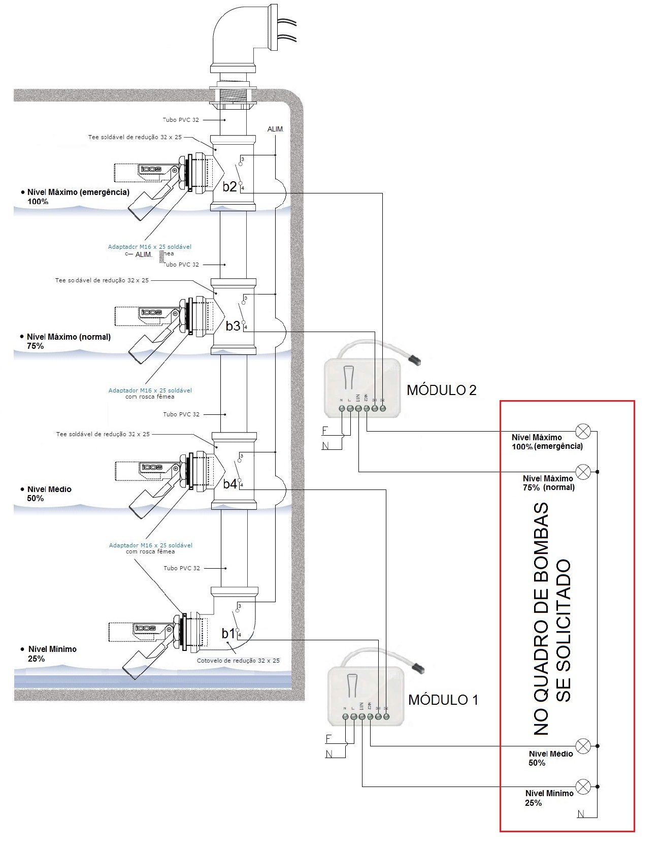
And a level system as in the drawing I did
attached below
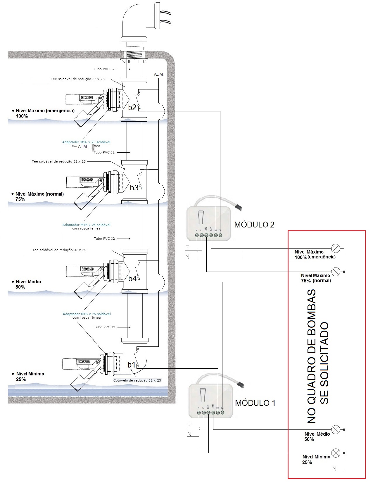
And a level system as in the drawing I did
attached below
Willias,
Seems that you have a binary combination for both switches but with the rules you show is not clear to me how the switches are reporting values, I made a table and one combination you use to set two different values, also I'm making an assumption for 100% value of switch 1. Please tell me more about when your switches go ON and OFF.
The basic structure of the rule should be like M4 proposes, starting with "WHEN Switch1 ANY OR Switch 2 ANY" then if this is a binary combination you need to evaluate both switches at the same time using something like "IF Switch1 is OFF and Switch2 is OFF THEN SET x%", "IF Switch1 is ON and Switch2 OFF THEN SET x%" and so on. See attached chart where I was trying to figure out the combinations.
Also could you please share information about the devices you are using to detect water level? as I mentioned before I'm also working on a water level detection system. Thank you.
Willias,
Seems that you have a binary combination for both switches but with the rules you show is not clear to me how the switches are reporting values, I made a table and one combination you use to set two different values, also I'm making an assumption for 100% value of switch 1. Please tell me more about when your switches go ON and OFF.
The basic structure of the rule should be like M4 proposes, starting with "WHEN Switch1 ANY OR Switch 2 ANY" then if this is a binary combination you need to evaluate both switches at the same time using something like "IF Switch1 is OFF and Switch2 is OFF THEN SET x%", "IF Switch1 is ON and Switch2 OFF THEN SET x%" and so on. See attached chart where I was trying to figure out the combinations.
Also could you please share information about the devices you are using to detect water level? as I mentioned before I'm also working on a water level detection system. Thank you.
Rule should look something like this...
Rule should look something like this...
Many thanks for the support. @Alberto Macias
Many thanks for the support. @Alberto Macias
Replies have been locked on this page!